Подробное описание
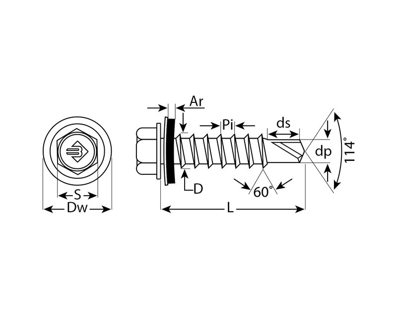
Саморез кровельный ЗУБР 4-300310-55-019-8028, применяется для крепления кровельных материалов к металлическим конструкциям, а также для крепления металлических кровельных листов друг к другу. Шестигранная головка под ключ. Шайба EPDM толщиной 2,8 мм. Наконечник - сверло, оцинкованные. Покрашены высококачественной порошковой краской. Металлическая шайба с прокладкой из резины, устойчивой к атмосферным воздействиям, обеспечивает герметичность соединения. Прокладка EPDM сохраняет свои свойства при частых изменениях нагрузок, температуры и воздействии УФ излучения. Улучшенная геометрия сверла обеспечивает быстроту и легкость сверления в черепице и листовых кровельных материалах. Порошковая окраска в соответствии со стандартом RAL позволяет подобрать саморезы под цвет кровли, а также обеспечивает дополнительную защиту от коррозии. Благодаря шестигранной головке при закручивании самореза создается большой крутящий момент. Цинковое покрытие обеспечивает защиту от коррозии. Изготовлен из высококачественной стали, про



