Подробное описание
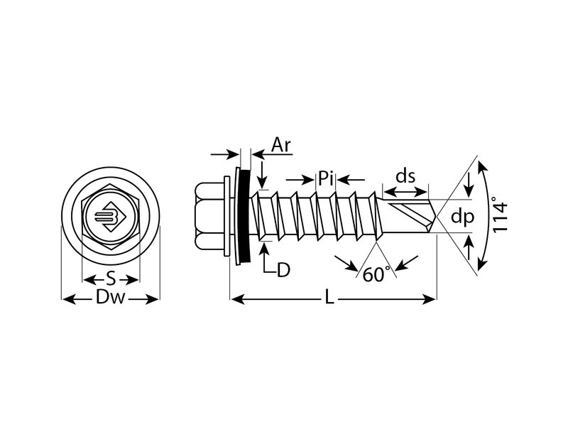
Саморез кровельный ЗУБР 4-300315-55-019-5009, применяется для крепления кровельных материалов к металлическим конструкциям, а также для крепления металлических кровельных листов друг к другу. Шестигранная головка под ключ. Шайба EPDM толщиной 2,8 мм. Наконечник - сверло, оцинкованные. Покрашен высококачественной порошковой краской. Металлическая шайба с прокладкой из резины, устойчивой к атмосферным воздействиям, обеспечивает герметичность соединения. Прокладка EPDM сохраняет свои свойства при частых изменениях нагрузок, температуры и воздействии УФ излучения. Улучшенная геометрия сверла обеспечивает быстроту и легкость сверления в черепице и листовых кровельных материалах. Благодаря шестигранной головке при закручивании самореза создается большой крутящий момент. Цинковое покрытие обеспечивает защиту от коррозии.



