Подробное описание
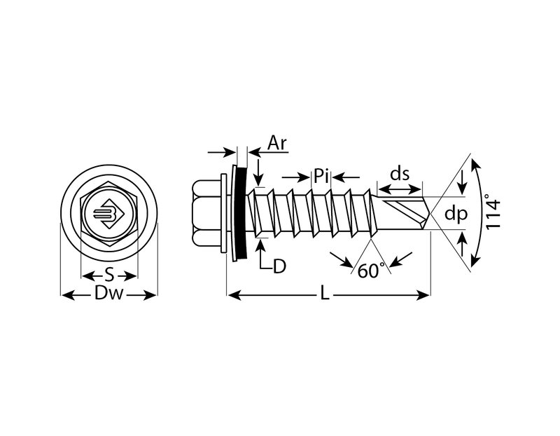
Саморезы кровельные ЗУБР 4-300310-63-070, предназначены для крепления кровельных материалов к деревянной обрешетке (металлическим конструкциям). Кровельные саморезы изготовлены из высококачественной стали, прошедшей термическую обработку. Шайба с прокладкой EPDM плотно прижимается к кровельному материалу, герметизируя просверленное отверстие. Шестигранная головка позволяет создать большой крутящий момент и значительно облегчает вкручивание самореза. Находят широкое применение при выполнении бытового ремонта, строительстве, сборке и установке различных конструкций. Прокладка EPDM сохраняет свои свойства при частых изменениях нагрузок, температуры и воздействии УФ излучения. Улучшенная геометрия сверла обеспечивает быстроту и легкость сверления в черепице и листовых кровельных материалах. Цинковое покрытие надежно защищает от коррозии.


